产品详情
PT二次模块
分享到:

PT二次模块

PT二次模块
产品详情

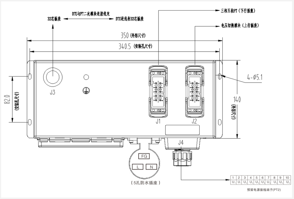
PT二次模块:MK-PT-01


底板紧固螺钉规格:M5X80 6PCS


技术参数

项目要求
壳体材料PC+ABS
壳体阻燃等级V0
壳体防护等级IP55
安装方式PT柜二次室内部,螺丝固定安装
工作环境-40℃~70℃,最大变化率1℃/min
海拔高度≤3000m



PT二次模块搭配航插


主要功能

1、采用模块化设计,便于运维

2、模块采用矩形连接器连接,无裸露端子

3、产品防护等级为IP55,能可靠工作在严重凝露的工作环境。

4、采用板接,减少焊线。


安装尺寸



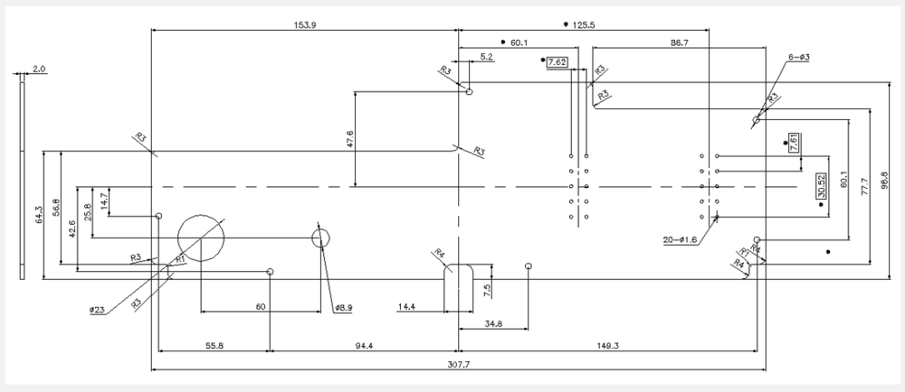
PCB板开孔尺寸

0756-3388789801
18665956673(晏工)
咨询热线
资料中心
新闻中心
关于本航本
-----------------------------------------------------------------------------------------------------------------------------------

©2024 珠海市本航本技术有限公司 深圳市安烁科技有限公司 版权所有